This website requires JavaScript.
Explore
Help
Sign In
hexone2086
/
graduation-project
Watch
1
Star
0
Fork
0
You've already forked graduation-project
Code
Issues
Pull Requests
Packages
Projects
Releases
Wiki
Activity
Files
e1fcde04a4342222882f46c35f432d6ca0df09e5
graduation-project
/
doc_attachments
/
2024-03-11T03-02-23-728Z.png
CaoWangrenbo
3a7a231d09
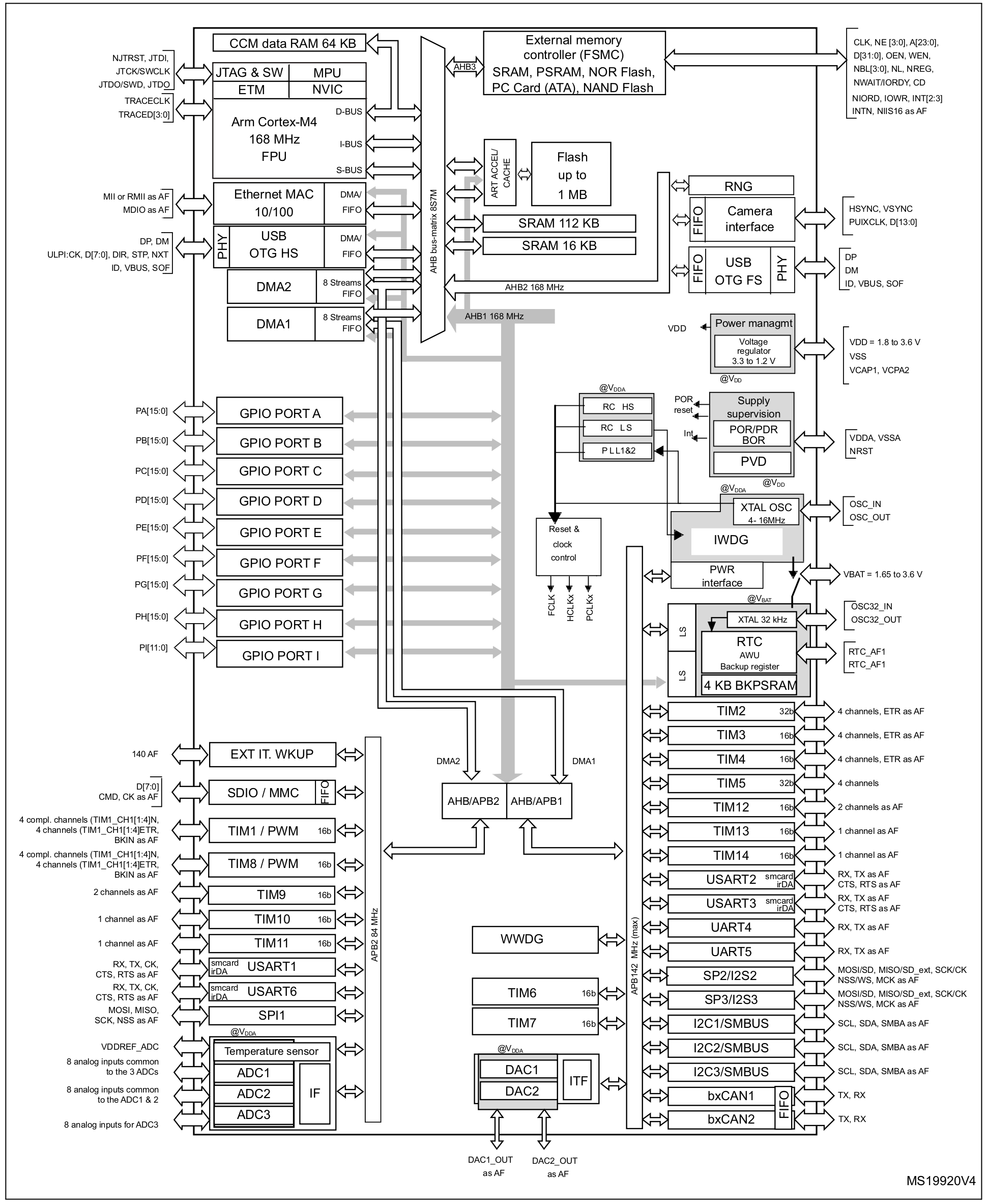
完成主控硬件到复位电路的部分
2024-03-11 12:45:21 +08:00
769 KiB
1944x2365px
Raw
History