This website requires JavaScript.
Explore
Help
Sign In
hexone2086
/
graduation-project
Watch
1
Star
0
Fork
0
You've already forked graduation-project
Code
Issues
Pull Requests
Packages
Projects
Releases
Wiki
Activity
Files
735881cd25c330416399dc80ce58e2774710699a
graduation-project
/
doc_attachments
/
2024-03-11T13-29-59-494Z.png
CaoWangrenbo
7ffb305010
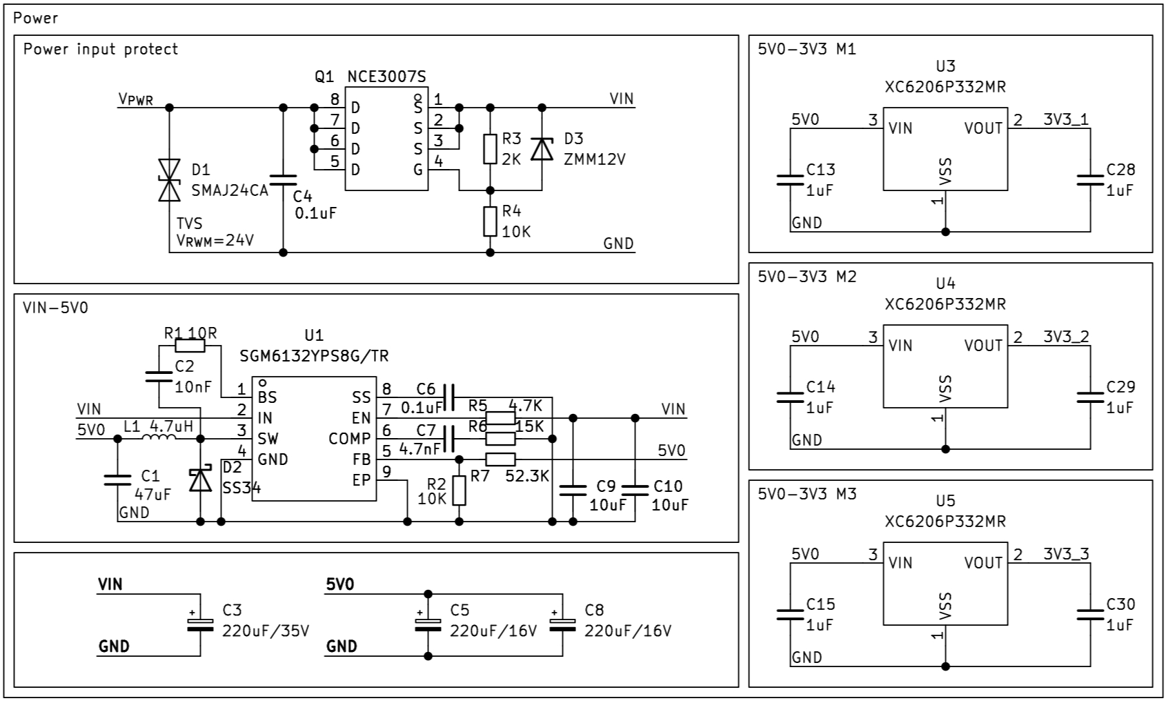
基本完成sgm6132设计计算部分
2024-03-12 18:08:55 +08:00
227 KiB
1690x1019px
Raw
History