This website requires JavaScript.
Explore
Help
Sign In
hexone2086
/
graduation-project
Watch
1
Star
0
Fork
0
You've already forked graduation-project
Code
Issues
Pull Requests
Packages
Projects
Releases
Wiki
Activity
Files
002eb5b32762d460f0d726ae5d55b7ee1a21b9be
graduation-project
/
doc_attachments
/
2024-03-11T03-29-49-397Z.png
CaoWangrenbo
3a7a231d09
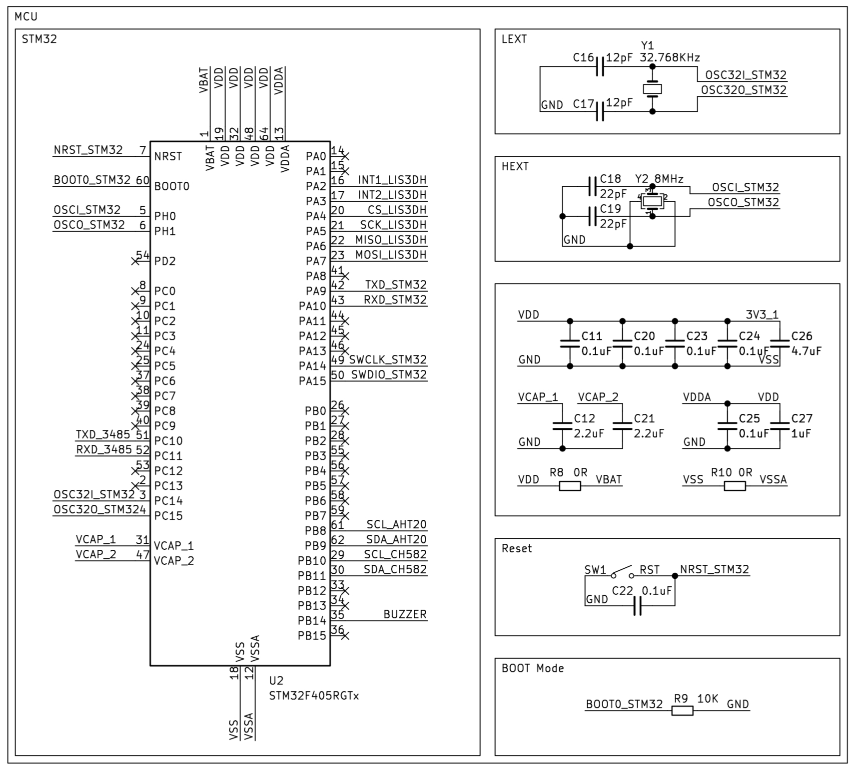
完成主控硬件到复位电路的部分
2024-03-11 12:45:21 +08:00
436 KiB
1707x1544px
Raw
History